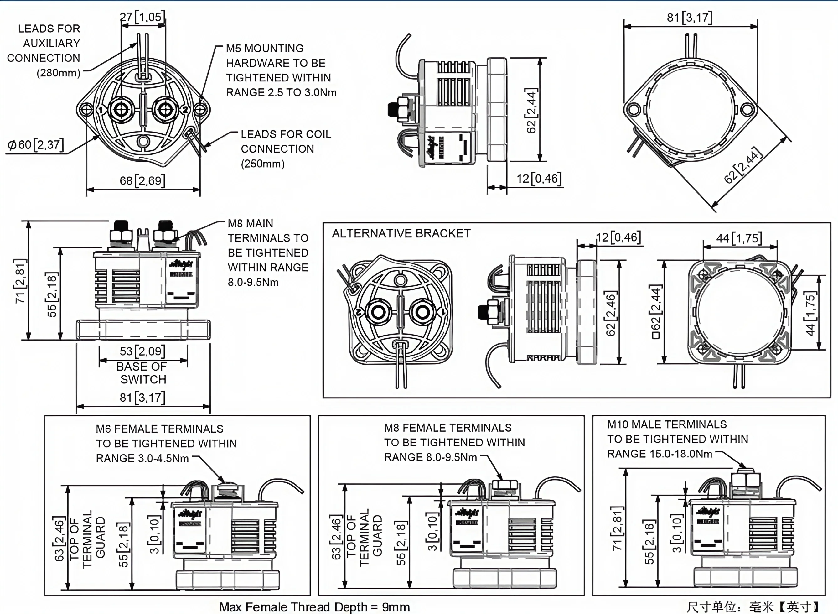
Albright recommend that the screw fixture is
accompanied by a flat and spring washer assemblyProduct Name | HV500AF-23 |
Rated Contact Voltage | 12V - 1000V D.C. |
Continuous Operating Current | 250A (50mm2 or 1-1/0 AWG cables) |
Continuous Operating Current (Max) | 500A (190mm2 or 350 MCM busbars) |
Coil Voltage Range | 12V D.C. - 96V D.C. |
Contact Arrangement: | |
Main | SPST-NO |
Auxiliary | SPST-NO |
SPST-NC | |
SPST-NC Mirror | |
Mechanical Durability | >1000000 Cycles |
Auxiliar | >1000000 Cycles |
Voltage Drop | Typically <30mV at 100A |
Insulation Resistance | >200M |
Dielectric Withstand Test (at Sea Level) | 4000V D.C./Leakage <1mA |
Maximum Altitude | 3000m |
Environmental Seal | Contacts, Auxiliary and PWM Circuit Hermetically Sealed - Exceeds IP67 |
















